最新消息

latest news

首頁 / 最新消息 / 是德科技PXI VNA完美解決多埠測試挑戰

是德科技PXI VNA完美解決多埠測試挑戰
2023-07-13

義政科技為是德科技的系統整合商,專注於射頻向量式網路分析儀與網路分析儀搭配不同射頻切換器的廣泛領域運用。義政科技總經理簡水明表示,是德科技的PXI網路分析儀頻率範圍從300KHz~26.5GHz,可以透過多張VNA網卡來組成多埠網路分析儀。而是德獨立開發的多埠校正功能,除了能突破測試埠的限制之外,只要再搭配義政客製化的射頻路徑切換器,便可完美解決元件的多埠測試需求。

 

放眼客戶的測試需求,無論是IC、PCB、濾波器、天線,甚至是分配器等,都需要多埠網路分析儀才有效率地進行測試。另外只要再搭配射頻路徑切換器,更能達成測試上的多樣性與效能的倍增,讓測試效益大幅提升。例如,將網路分析儀運用在倍增系統,包括多人1埠測試、多人2埠測試、多人4埠測試等,可實現多人多埠測試,滿足不同的產品測試組合,另外包括外掛直流電源供應器、主動天線產品耗電流測試等,也都可以順利達成。

 

本文接著將簡單說明PXI VNA的應用:

 

PXI VNA針對資料採集應用

網路分析儀VNA應用於元件測試包裝機已經非常廣泛,隨著現在的電子元件越來越多元化,測試需求也不斷提高,元件測試埠已經不再是傳統 4 Port VNA所能勝任了,這也是現階段廠商遇到產品元件多埠測試最常遇到的瓶頸。而採用了是德PXI VNA之後,透過多卡並接的方式,形成多埠網路分析儀,便可以輕鬆進行多埠元件的測試。

 

以往的網路分析儀測試需求較為簡單,只要執行Pass/Fail即可進行元件的拋轉,將良品與不良品分開,然而卻無法進行測試資料的保存。放眼現在的廠商推動測試資料,需要百分之百儲存。然而出貨元件測試資料的保存,卻經常遇到兩大挑戰,第一是多埠元件本身的測試難度就高,第二是高速測試面臨更大挑戰,因為測試包裝機的速度往往高達200PCS/分鐘,而資料都需要100%進行採集,這樣測試方式執行起來,難度非常高。

 

義政公司使用PXI VNA來組立多埠網路分析儀,並搭配客製化的路徑切換器,如此將可快速達成資料的保存,並即時測試資料的拋轉回饋。因為數據內容的呈現需要完全客製化,而資料內容包含使用者、機台名稱、儀器需求、測試資料等。當完整收集了元件的生產履歷,便能進一步將全工廠所有的測試包裝機,進行聯網數據採集收錄、轉檔回傳,便可即時了解測試機台狀況,如此一來,將能滿足工業4.0的基本要求。


 

圖一 :   以PXI VNA來做全廠測試包裝機的資料採集系統
圖一 : 以PXI VNA來做全廠測試包裝機的資料採集系統

PXI VNA針對多埠元件測試

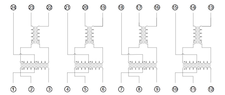
當透過VNA來進行測試包裝機台時,由於待測物元件的高複雜性,這使得傳統的4埠VNA已經難以勝任,然而是德PXI VNA卻可以輕而易舉解決這些測試難題。以接下來的測試為例,4個6埠元件共有24個腳位,整合成為單一個元件。觀察這個待測物,每個元件6埠,四個元件共有24埠,測試中使用3張PXI VNA卡,組立成6埠的網路分析儀,再搭配四個6埠的路徑切換器,就可以同時快速進行24埠的測試,並進行資料採集。


 

圖二 :   這是一個24 Port待測物封裝成一個DIP的型態。為了達成測試包裝機一次測試完畢。分析此元件為4個元件合在一起、每一個為6埠元件。
圖二 : 這是一個24 Port待測物封裝成一個DIP的型態。為了達成測試包裝機一次測試完畢。分析此元件為4個元件合在一起、每一個為6埠元件。

 

圖三 :   使用3張Keysight的M9372A組立成6埠,VNA再透過6x4射頻切換器,就可以完成1個24埠的元件測試工作。
圖三 : 使用3張Keysight的M9372A組立成6埠,VNA再透過6x4射頻切換器,就可以完成1個24埠的元件測試工作。

PXI VNA針對多埠天線測試的應用

8埠天線的測試,除了測試每支天線反射損失(Return Loss)外,在研發初期還需要針對每支天線進行隔離度測試。這種情況下,可以採用4張M9372A 300KHz~9GHz的網卡,組立成8Port的VNA,也可以用1張VNA來搭配陣列式天線。針對多埠天線可以快速完成所有參數測試。以8支天線為例,此時需要8個射頻端口,測試參數S11、S22、S33、S44、S55、S66、S77、S88、S21、S31、S41、S51、S61、S71、S81、S12、S32、S42、S52、S62、S72、S82、S13、S23、S43、S53、S63、S73、S83、S14、S24、S34、S54、S64、S74、S84、S15、S25、S35S、45、S65、S75、S85、S16、S26、S36、S46S、56、S76、86、S17、S27、S37、S47、S57、S67、S87、S18、S28、S38、S48、S58、S68、S78、S88等,共64個S參數。只要透過PXI VNA搭配射頻切換器,就可以一次便測試完畢。


 

圖四 :  1張VNA搭配陣列型路徑切換器、進行8埠所有S參數測試
圖四 : 1張VNA搭配陣列型路徑切換器、進行8埠所有S參數測試

針對75 ohm的多埠分配器測試

傳統的75 ohm多埠分配器測試,需要執行2 Port的VNA搭配多個終端器來進行回路測試,過程中不僅會花費過長的測試時間,還必須不停更換測試路徑,這對於測試信號線的耗損甚大。若透過PXI VNA來進行多埠測量,將可收得最高的測試效能。


 

圖五 :   待測物
圖五 : 待測物

 

圖六 :   測試方法一:(1位測試者)使用Keysight M9370A 300KHz~4GHz五張網路分析儀組成10 Port VNA
圖六 : 測試方法一:(1位測試者)使用Keysight M9370A 300KHz~4GHz五張網路分析儀組成10 Port VNA

 

圖七 :   測試方法二:(2位測試者、測試不同產品分配器)使用Keysight M9370A 300KHz~4GHz五張網路分析儀組成10 Port VNA、搭配切換器、測試倍增
圖七 : 測試方法二:(2位測試者、測試不同產品分配器)使用Keysight M9370A 300KHz~4GHz五張網路分析儀組成10 Port VNA、搭配切換器、測試倍增

50 OHM Splitter & Combiner & RF Couplers & ANT混合測試

 

圖八 :   50 OHM Splitter & Combiner & RF Couplers & ANT混合測試
圖八 : 50 OHM Splitter & Combiner & RF Couplers & ANT混合測試

結語

是德科技資深專案經理陳星琿表示,客戶使用是德科技精準的PXI VNA(Vector Network Analyzer)系列,頻率範圍從300KHz ~ 26.5GHz的M9370A ~ M9375A等6張不同測試範圍網路分析儀,可以針對測試需求做不同頻率的選擇。針對多端口元件,透過VNA並接方式,提供多端口校正功能,在同一機箱最多可以實現32埠網路分析儀功能。此外執行多埠元件,搭配義政科技提供不同的切換器組成的系統,測試速度將更加快速,更能將生產效益推向高峰。

 

義政科技股份有限公司

www.e-channel.com.tw

桃園縣平鎮區關爺東路37巷16號

Tel:+886-3-4576809 Fax:+886-3-468611